US customers please note: There may still be tariff surcharges (10%) due to changing executive orders by the US president.

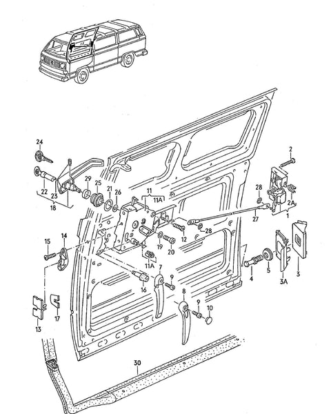
Assembly: Sliding Door Locking Mechanism T3 (86-92)

Product Description

This is a combine listing of e the components for the locking mechanism of the later T3 Vanagons from 1986 on.

In the drawing (click on it to see details) you can see numbered parts for the individual items in the mechanisms. The numbers in the drawing correspond with the prefix numbers of individual parts in the item list below. When you click on the item on the list  it will show the corresponding image and pricing.

Please not that there can be some model overlaps in the 1985 model year.

Part Numbers: 251843704E, 251843711A, 211843731

$89.00