Please note: Due to an executive order by the US president shipments to the USA will now have a 40% surcharge.

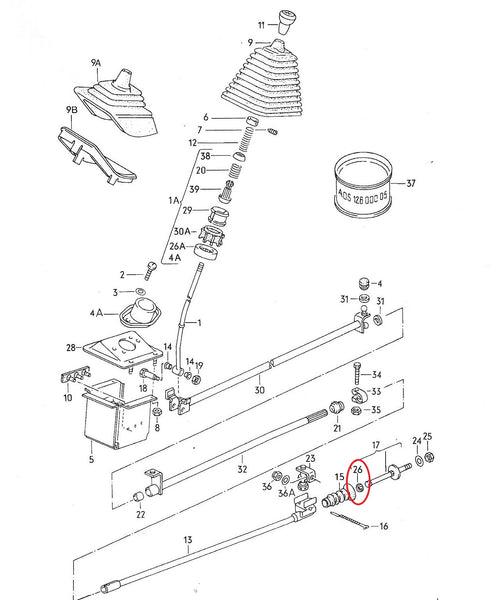
Shift Rod Bushing for early T3

Product Description

This plastic guide rod bushing is in the connection between the shift rod and the selector lever in the early T3 Vanagons (80-85). It fits on the guide pin.

Part numbers: 251711227

$8.50