US customers please note: There may still be tariff surcharges (10%) due to changing executive orders by the US president.

Assembly: Coolant Lines, Hoses T3 1.9L Waterboxer

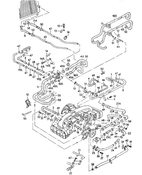
Product Description

This is an overview of pipes and hoses of the cooling system in the T3 Vanagon 1.9 L Waterboxer engine (82-85) which will assist you with your selection of the right part. Parts listed here are for the standard setup with manual transmission. There are some variations in the system over time and you can call us if you are not certain.

Select a number in the drawing  and you will find the corresponding part (and SKU, if available) in the identifier list below which you can put into your shopping cart. The part number (SKU) will appear when you click on the item in the identifier list below once. It will also show you the corresponding image.

Many of the hoses for the 1.9 L Waterboxer engine will have to be cut from coolant hose stock. The long coolant pipes underneath (42, 43) are available in stainless steel.

 Part Numbers: 251121083G, 025121102, 025121130A, 025121171, 025121058A, 025121082, 251121102A

$39.00