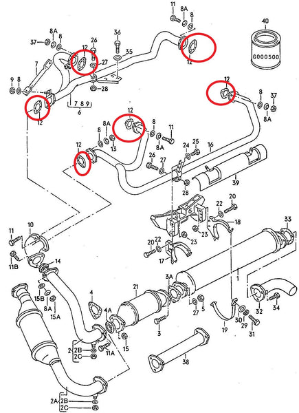
Exhaust Gasket T3
Related Products
A Gift Card from Dr. Björn's Auto
From $20.00 
  Accelerator Cable for T3 WBX
From $36.00 
  Air Baffles for T3 Radiator
From $24.00 
  Air Conditioning Condenser T3
 $488.00 
  Air Filter 2.1 WBX
 $34.00 
  Air Flow Meter Seal T3
 $6.60 
  Air Intake Seal
From $6.50 
  Air Vent T3
From $24.00 
  Alternator
 $0.00